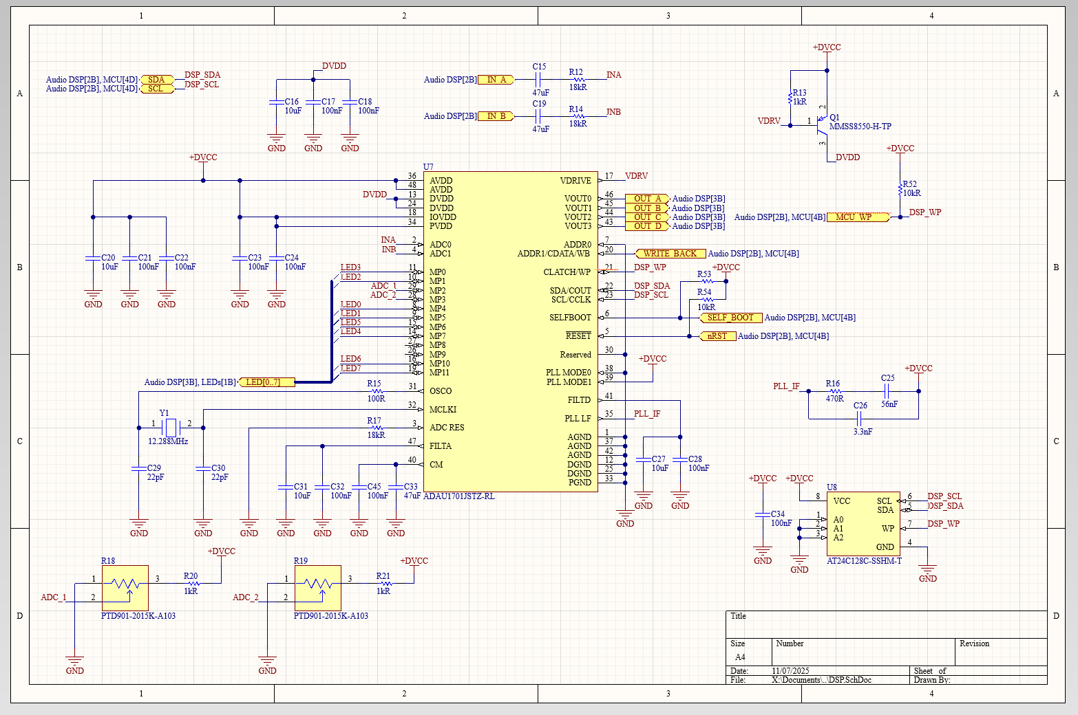
Creation of an audio signal processor centred around an Analog Devices DSP chipset, utilising a WiFi MCU for wireless audio processor updates.
Creation of an audio signal processor centred around an Analog Devices DSP chipset, utilising a WiFi MCU for wireless audio processor updates.